DesignSpark Circuit Simulator Maintenance on 13th March at 17:00 UTC for up to 2 hours

Skip to main content

Reference Design of Digilent Pmod RS232

by Alex_CH

This is a reference design of Digilent Pmod RS232 (134-6444) . The Digilent Pmod RS232 was converted into DesignSpark PCB format. Download link to the project files and the article of Digilent Pmod RS232 can be found at the end.

The Digilent Pmod RS232 (Revision B) converts between digital logic voltage levels to RS232 voltage levels. The RS232 module is configured as a data communications equipment (DCE) device. It connects to data terminal equipment (DTE) devices, such as the serial port on a PC, using a straight-through cable.

  • Standard RS232 DB9 connector
  • Optional RTS and CTS handshaking functions

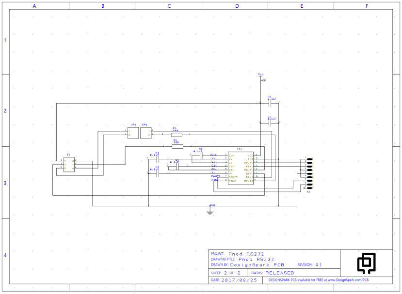
sch4_f2acf8efbae2b49a20ca3c3ed87a4874062738f4.png

Schematic of Digilent Pmod RS232

 

pcb4_3f158a979b489a109675c17032d297f894d77053.png

PCB layout of Digilent Pmod RS232

 

3d5_6bfc092c31ef6417bfc40ece9245548e3f610eb2.png

3D view of Digilent Pmod RS232

BOM list of the board (Key Components):

RS Part Number

Manufacturer Part Number

Manufacturer

Description

(923-3868)

MAX3232CDR

Texas Instruments

Dual Line Transceiver

(251-8086)

W81102T3825RC

RS Pro

2 Pin Header

/

DB9 Female Right Angle Connector

EMT

DB9 connector

What is DesignSpark PCB format?

DesignSpark PCB is an award-winning software package for schematic capture and PCB layout, available for FREE from RS Components. Our software is easy to learn and use yet surprisingly powerful. DesignSpark PCB is now widely adopted in the industry as a standard format for design file sharing and collaboration. This is especially useful in the prototyping phase where most of the innovation takes place. Not yet a DesignSpark PCB user?

Download DesignSpark PCB

This person is no longer a member and their bio is unavailable
DesignSpark Logo

Enjoying DesignSpark?

Create an account to unlock powerful PCB and 3D Mechanical design software, collaborate in our forums, and download over a million free 3D models, schematics, and footprints.
Create an account

Already a DesignSpark member? Log In

Comments