United Statesからアクセスされていますが、言語設定をEnglishに切り替えますか?
Switch to English site

DesignSpark Circuit Simulatorのメンテナンスは3月13日17:00 UTCから最大2時間行われます。

Skip to main content

Digilent Pmod AMP3のリファレンスデザイン

by ngmanyiu

DESIGNSPARKでは、各種モジュール基板のCADデータとBOM(部品リスト)を無償提供する「リファレンスデザイン」というサービスを行っています。

本ページでは、Digilent製のPmod AMP3RS注文品番:134-6461)のリファレンスデザインを提供しています。無料の基板CADソフトであるDesignSparkPCBで読み込むことができ、自在に編集を加えてご使用頂くことができます。

amp3_480_e5c25aef3c9c32100367681307466392cb27b496.jpg

 

Digilent製 Pmod AMP3はPmodにおける2W Class-Dのアンプモジュールです。このモジュールはオーディオ転送のためにI2C 規格に基づいています。ボリュームやダイナミックレンジ(音響シグナルの最大値と最長値の比)を、I2C インタフェースを利用して変更することができます。また、I2C を利用せずに、AMP3単体で使用していただくことも可能です。

  • 2W Class-D アンプ(増幅器)
  • 左右それぞれ別に出力される2x 3.5mmオーディオジャック
  • 左右それぞれにおけるボリュームとダイナミックレンジ変更のためのコントローラ
  • 単体動作モード
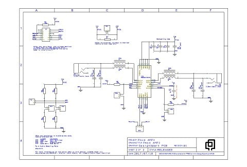
Sheet2_4807_f1e14f4e35f8fb1d2adcafdb7ee76ca431e69761.jpg
Digilent Pmod AMP3の回路図
 
Pmod_AMP3_V1_480_3d64f477733c2223fefb76b25e90c10722d03f56.jpg
Digilent Pmod AMP3の基板レイアウト
 
3D_view_4807_6269f25f987f6ee137968142e894e4067ffe77ca.jpg
Digilent Pmod AMP3の3D表示

 

ボードのBOMリスト (重要なパーツについて抜粋)

RS注文品番

メーカー品番

メーカー

備考

(820-9413)

SSM2518

Analog Devices

Class-D アンプ

(389-817)

RCU-0C

TE Connectivity

Ferrite Bead

(251-8086)

W81102T3825RC

RS Pro

2ピンヘッダ

/

PJ-320

Eastern Electronics

3.5mmオーディオジャック

 

免責: 本リファレンスデザインの各種設計データ(本設計データ)のご使用は自己責任でお願いいたします。

(このメンバーは退会しており、プロフィール等の情報は消去されています。)
DesignSpark Logo

DesignSparkアカウントを作成しませんか?

アカウントを作成すると、高機能な基板CADや使いやすい3次元CADが無料で使えるだけでなく、数千万点超の部品のCADライブラリやフットプリントや3Dモデルを検索しダウンロードできます。
アカウントを作成

アカウント作成済みの方はこちらからログイン

コメント