Skip to main content

Dimension Text Alignment


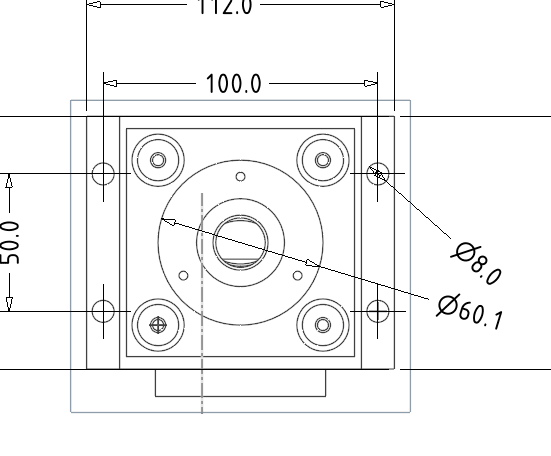
I have some old stp assembly models from which I create sales drawings in DS, in the structure tree each "part" shows up as a solid rather than seperate component. When I create the drawings the text for Diameters is at the same angle as the primary leader, as below, diameter 8.0 and 60.1. If I create one of these solids as a "new" component in DS then for same dimension the leader is split and the text horizontal see lowest screenshot, which is how I want it and it usually appears.

.I have played with annotation planes and checked all the DS options but cannot find a way around this.

How can I make the dimension text horizontal ? 

mceclip0_9e3fd8904cc5a161c509bec06a79f2c07468d114.png

mceclip1_4881a90831e23efa82ad0da07febc7e24736e125.png

Comments